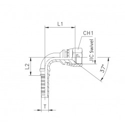
Штуцер для РВД JIC, 74°- ISO 8434-1 (DIN 2353)
Технические характеристики
| Внутренний диаметр рукава | Диаметр трубы JIC 37° | JIC 37° | L1 | CH1 | PN (бар) | |||
|---|---|---|---|---|---|---|---|---|
| DN | DASH | Дюйм | M | W | ||||
| 5 | -3 | 3/16 | 6 | 1/4 | 7/16-20 | 26,5 | 12 | 415 |
| 5 | -3 | 3/16 | 8 | 5/16 | 1/2-20 | 26,5 | 14 | 415 |
| 6 | -4 | 1/4 | 6 | 1/4 | 7/16-20 | 26,5 | 12 | 450 |
| 6 | -4 | 1/4 | 8 | 5/16 | 1/2-20 | 26,5 | 14 | 450 |
| 6 | -4 | 1/4 | 10 | 3/8 | 9/16-18 | 27,5 | 17 | 350 |
| 8 | -5 | 5/16 | 10 | 3/8 | 9/16-18 | 28 | 17 | 350 |
| 10 | -6 | 3/8 | 10 | 3/8 | 9/16-18 | 28 | 17 | 350 |
| 10 | -6 | 3/8 | 12 | 1/2 | 3/4-16 | 30,5 | 22 | 350 |
| 10 | -6 | 3/8 | 14-15-16 | 5/8 | 7/8-14 | 34,5 | 24 | 350 |
| 12 | -8 | 1/2 | 12 | 1/2 | 3/4-16 | 30,5 | 22 | 350 |
| 12 | -8 | 1/2 | 14-15-16 | 5/8 | 7/8-14 | 34,5 | 24 | 350 |
| 12 | -8 | 1/2 | 18-20 | 3/4 | 1 1/16-12 | 39 | 30 | 350 |
| 16 | -10 | 5/8 | 14-15-16 | 5/8 | 7/8-14 | 35 | 24 | 350 |
| 16 | -10 | 5/8 | 18-20 | 3/4 | 1 1/16-12 | 39,5 | 30 | 350 |
| 19 | -12 | 3/4 | 18-20 | 3/4 | 1 1/16-12 | 40 | 30 | 350 |
| 19 | -12 | 3/4 | 22 | 7/8 | 1 3/16-12 | 40,5 | 32 | 290 |
| 19 | -12 | 3/4 | 25 | 1 | 1 5/16-12 | 41 | 36 | 290 |
| 25 | -16 | 1 | 25 | 1 | 1 5/16-12 | 42 | 36 | 280 |
| 25 | -16 | 1 | 30-32 | 1 1/4 | 1 5/8-12 | 45 | 46 | 240 |
| 31 | -20 | 1 1/4 | 30-32 | 1 1/4 | 1 5/8-12 | 46 | 46 | 210 |
| 31 | -20 | 1 1/4 | 38 | 1 1/2 | 1 7/8-12 | 51,5 | 50 | 210 |
| 38 | -24 | 1 1/2 | 38 | 1 1/2 | 1 7/8-12 | 52,5 | 50 | 185 |
| 51 | -32 | 2 | 50 | 2 | 2 1/2-12 | 63,5 | 65 | 100 |