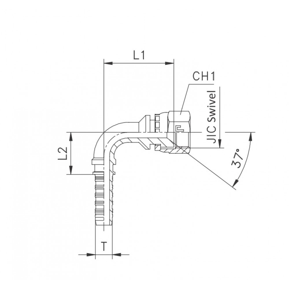
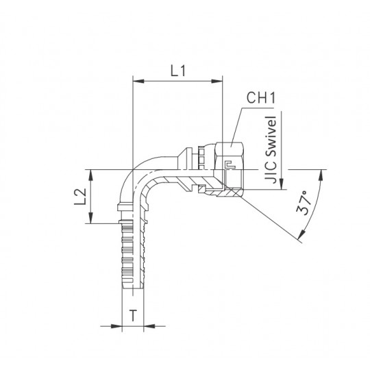
Фитинг для РВД JIC угол 90°, предварительно обжатая гайка - конус 74°- ISO 8434-2 (SAE J514)
Технические характеристики
| Внутренний диаметр рукава | JIC 37° | L1 | L2 | CH1 | PN (бар) | ||
|---|---|---|---|---|---|---|---|
| DN | DASH | Дюйм | |||||
| 5 | -3 | 3/16 | 7/16-20 | 24,5 | 21,5 | 14 | 415 |
| 5 | -3 | 3/16 | 1/2-20 | 24,5 | 21,5 | 17 | 415 |
| 6 | -4 | 1/4 | 7/16-20 | 24,5 | 21,5 | 14 | 450 |
| 6 | -4 | 1/4 | 1/2-20 | 24,5 | 21,5 | 17 | 450 |
| 6 | -4 | 1/4 | 9/16-18 | 25,5 | 21,5 | 19 | 350 |
| 8 | -5 | 5/16 | 9/16-18 | 30,5 | 26 | 19 | 350 |
| 10 | -6 | 3/8 | 9/16-18 | 34,5 | 29,5 | 19 | 350 |
| 10 | -6 | 3/8 | 3/4-16 | 38 | 29,5 | 24 | 350 |
| 10 | -6 | 3/8 | 7/8-14 | 39 | 29,5 | 27 | 350 |
| 12 | -8 | 1/2 | 3/4-16 | 39,5 | 36 | 24 | 350 |
| 12 | -8 | 1/2 | 7/8-14 | 40,5 | 36 | 27 | 350 |
| 12 | -8 | 1/2 | 1 1/16-12 | 45 | 36 | 32 | 350 |
| 16 | -10 | 5/8 | 7/8-14 | 43,5 | 40 | 27 | 350 |
| 16 | -10 | 5/8 | 1 1/16-12 | 48 | 40 | 32 | 350 |
| 19 | -12 | 3/4 | 1 1/16-12 | 57 | 47 | 32 | 350 |
| 19 | -12 | 3/4 | 1 3/16-12 | 61 | 47 | 36 | 290 |
| 19 | -12 | 3/4 | 1 5/16-12 | 61 | 47 | 41 | 290 |
| 25 | -16 | 1 | 1 5/16-12 | 62 | 63 | 41 | 280 |