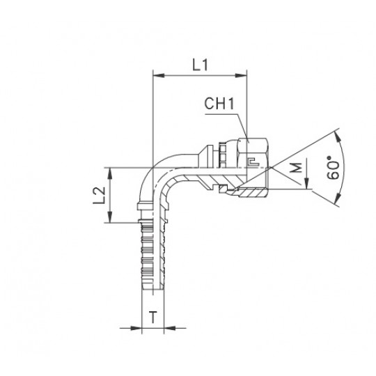
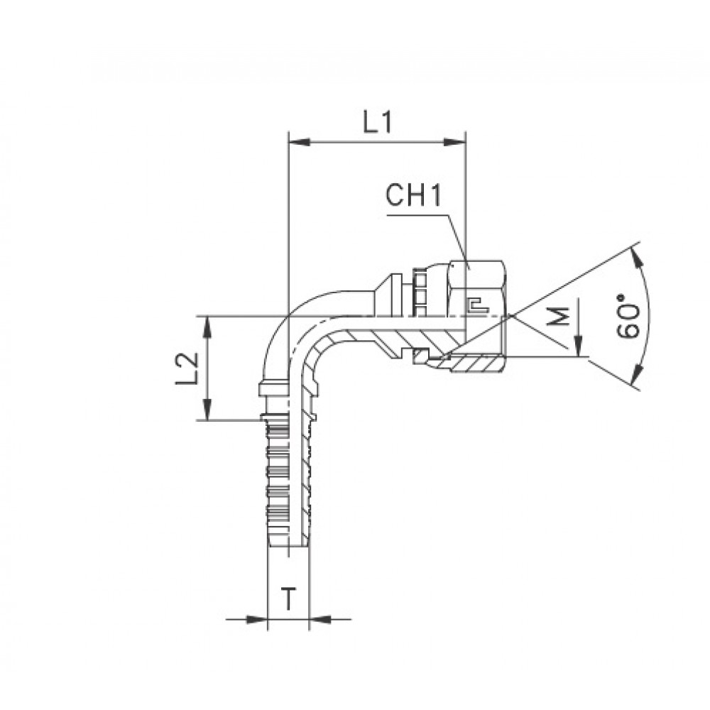
Фитинг для РВД DKM угол 90°, предварительно обжатая гайка, конус 60°- ISO 8434-6 (BS 5200)
Технические характеристики
| Внутренний диаметр рукава | M | L1 | L2 | CH1 | PN (бар) | ||
|---|---|---|---|---|---|---|---|
| DN | DASH | Дюйм | |||||
| 5 | -3 | 3/16 | 12x1,5 | 26,5 | 21 | 17 | 350 |
| 6 | -4 | 1/4 | 12x1,5 | 26,5 | 21 | 17 | 350 |
| 6 | -4 | 1/4 | 14x1,5 | 26,5 | 21 | 19 | 350 |
| 6 | -4 | 1/4 | 16x1,5 | 30,5 | 21 | 22 | 350 |
| 6 | -4 | 1/4 | 18x1,5 | 30,5 | 21 | 22 | 350 |
| 8 | -5 | 5/16 | 14x1,5 | 32 | 25,5 | 19 | 350 |
| 8 | -5 | 5/16 | 16x1,5 | 35 | 25,5 | 22 | 350 |
| 8 | -5 | 5/16 | 18x1,5 | 35 | 25,5 | 22 | 350 |
| 10 | -6 | 3/8 | 14x1,5 | 34,5 | 29 | 19 | 350 |
| 10 | -6 | 3/8 | 16x1,5 | 36,5 | 29 | 22 | 350 |
| 10 | -6 | 3/8 | 18x1,5 | 36,5 | 29 | 22 | 350 |
| 10 | -6 | 3/8 | 20x1,5 | 39,5 | 29 | 27 | 315 |
| 10 | -6 | 3/8 | 22x1,5 | 39,5 | 29 | 27 | 315 |
| 12 | -8 | 1/2 | 18x1,5 | 40,5 | 35,5 | 22 | 315 |
| 12 | -8 | 1/2 | 20x1,5 | 41,5 | 35,5 | 27 | 315 |
| 12 | -8 | 1/2 | 22x1,5 | 41,5 | 35,5 | 27 | 315 |
| 12 | -8 | 1/2 | 26x1,5 | 47,5 | 35,5 | 32 | 250 |
| 16 | -10 | 5/8 | 26x1,5 | 49 | 39,5 | 32 | 250 |
| 19 | -12 | 3/4 | 26x1,5 | 58 | 46,5 | 32 | 250 |