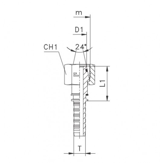
Прямой Фитинг для РВД DKOL/DKOS накидная гайка - конус 24°C с O-RING - ISO 8434-1 (DIN 2353)
Метрическая резьба
Технические характеристики
| Внутренний диаметр рукава | Конус 24°, D1 | m | L1 | CH1 | PN (бар) | ||
|---|---|---|---|---|---|---|---|
| DN | DASH | Дюйм | |||||
| 5 | -3 | 3/16 | 6L | 12x1,5 | 22,5 | 14 | 315 |
| 5 | -3 | 3/16 | 6S | 14x1,5 | 24,5 | 17 | 415 |
| 5 | -3 | 3/16 | 8L | 14x1,5 | 23,5 | 17 | 315 |
| 5 | -3 | 3/16 | 8S | 16x1,5 | 23,5 | 19 | 415 |
| 6 | -4 | 1/4 | 6S | 14x1,5 | 24,5 | 17 | 450 |
| 6 | -4 | 1/4 | 8L | 14x1,5 | 23,5 | 17 | 315 |
| 6 | -4 | 1/4 | 8S | 16x1,5 | 23,5 | 19 | 450 |
| 6 | -4 | 1/4 | 10L | 16x1,5 | 25 | 19 | 315 |
| 6 | -4 | 1/4 | 10S | 18x1,5 | 25 | 22 | 450 |
| 6 | -4 | 1/4 | 12L | 18x1,5 | 25 | 22 | 315 |
| 6 | -4 | 1/4 | 12S | 20x1,5 | 25 | 24 | 450 |
| 8 | -5 | 5/16 | 10L | 16x1,5 | 25,5 | 19 | 315 |
| 8 | -5 | 5/16 | 10S | 18x1,5 | 25,5 | 22 | 350 |
| 8 | -5 | 5/16 | 12L | 18x1,5 | 25,5 | 22 | 315 |
| 8 | -5 | 5/16 | 12S | 20x1,5 | 25,5 | 24 | 350 |
| 10 | -6 | 3/8 | 12L | 18x1,5 | 25,5 | 22 | 315 |
| 10 | -6 | 3/8 | 12S | 20x1,5 | 25,5 | 24 | 445 |
| 10 | -6 | 3/8 | 14S | 22x1,5 | 29,5 | 27 | 445 |
| 10 | -6 | 3/8 | 15L | 22x1,5 | 26 | 27 | 315 |
| 12 | -8 | 1/2 | 14S | 22x1,5 | 29,5 | 27 | 415 |
| 12 | -8 | 1/2 | 15L | 22x1,5 | 26 | 27 | 315 |
| 12 | -8 | 1/2 | 16S | 24x1,5 | 29,5 | 30 | 400 |
| 12 | -8 | 1/2 | 18L | 26x1,5 | 27 | 32 | 315 |
| 16 | -10 | 5/8 | 18L | 26x1,5 | 27,5 | 32 | 315 |
| 16 | -10 | 5/8 | 20S | 30x2 | 34,5 | 36 | 350 |
| 19 | -12 | 3/4 | 20S | 30x2 | 35 | 36 | 350 |
| 19 | -12 | 3/4 | 22L | 30x2 | 29,5 | 36 | 160 |
| 19 | -12 | 3/4 | 25S | 36x2 | 35 | 41 | 350 |
| 25 | -16 | 1 | 25S | 36x2 | 35,5 | 41 | 280 |
| 25 | -16 | 1 | 28L | 36x2 | 31 | 41 | 160 |
| 25 | -16 | 1 | 30S | 42x2 | 40,5 | 50 | 280 |
| 31 | -20 | 1 1/4 | 35L | 45x2 | 36,5 | 50 | 160 |
| 31 | -20 | 1 1/4 | 38S | 52x2 | 45 | 60 | 210 |
| 38 | -24 | 1 1/2 | 42L | 52x2 | 37,5 | 60 | 160 |